Sam's Laser FAQ Components:
HTML, Photos, Diagrams, Schematics
This is a complete list of the files which constitute Sam's Laser FAQ (Official
name: Sam's Laser FAQ - Safety, Info, Links, Parts, Types, Drive,
Construction).
Note: There are *zillions* of additional diagrams and schematics included
within the HTML files themselves. Those that are listed here are only the
ones that are in .pdf, .gif, .jpg, or other graphics or compressed format.
Top Level Pages and Mirror Info:
Laser Equipment Gallery:
The Most Important Document - Must Read:
Preface, Introduction, PART I
PART II
- Diode Lasers (laserdio.htm).
- Diode Laser Power Supplies (laserdps.htm).
- Helium Neon Lasers (laserhen.htm).
- HeNe Laser Testing, Adjustment, Repair (laserhtr.htm).
- HeNe Laser Power Supplies (laserhps.htm).
- HeNe Laser Power Supply Design (laserhpd.htm).
- Complete HeNe Laser Power Supply Schematics (laserhsc.htm).
- Argon/Krypton Ion Lasers (laserarg.htm).
- Ar/Kr Ion Laser Testing, Maintenance, Repair (laseratr.htm).
- Ar/Kr Ion Laser Power Supplies (laseraps.htm).
- Ar/Kr Ion Laser Power Supply Design (laserapd.htm).
- Complete Ar/Kr Ion Laser Power Supply Schematics (laserasc.htm).
- Omnichrome 150R - Power Subsystem (PDF, 150rpsch.pdf).
- Omnichrome 150R - Power Subsystem (GIF, 150rpsch.gif).
- Omnichrome 150R - Control Subsystem (PDF, 150rcsch.pdf).
- Omnichrome 150R - Control Subsystem (GIF, 150rcsch.gif).
- Omnichrome 532 - Laser Head (PDF, 532hsch.pdf).
- Omnichrome 532 - Laser Head (GIF, 532hsch.gif).
- Lexel 88 - Power Subsystem (PDF, 88psch.pdf).
- Lexel 88 - Power Subsystem (GIF, 88psch.gif).
- Lexel 88 - Control Subsystem (PDF, 88csch.pdf).
- Lexel 88 - Control Subsystem (GIF, 88csch.gif).
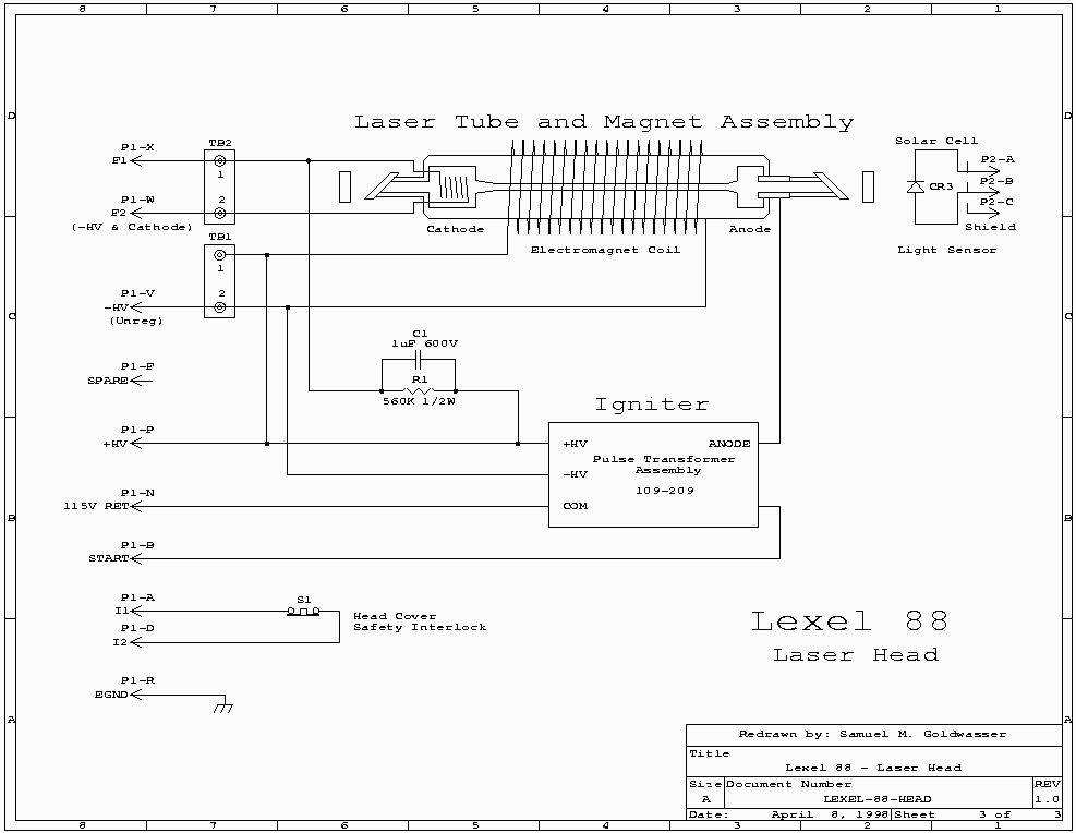
- Lexel 88 - Laser Head (PDF, 88hsch.pdf).
- Lexel 88 - Laser Head (GIF, 88hsch.gif).
- SG-IT1 - Power Unit (PDF, sgitpsch.pdf).
- SG-IT1 - Power Unit (GIF, sgitpsch.gif).
- SG-IT1 - Laser Head (PDF, sgithsch.pdf).
- SG-IT1 - Laser Head (GIF, sgithsch.gif).
- SG-IL1 - Power Unit (PDF, sgilpsch.pdf).
- SG-IL1 - Power Unit (GIF, sgilpsch.gif).
- SG-IL1 - Control & Interlocks (PDF, sgilcsch.pdf).
- SG-IL1 - Control & Interlocks (GIF, sgilcsch.gif).
- SG-IL1 - Digital Logic (PDF, sgildsch.pdf).
- SG-IL1 - Digital Logic (GIF, sgildsch.gif).
- SG-IL1 - Laser Head (PDF, sgilhsch.pdf).
- SG-IL1 - Laser Head (GIF, sgilhsch.gif).
- Carbon Dioxide Lasers (lasercc2.htm).
PART III
- Amateur Laser Construction (lasercon.htm).
- Home-Built Laser Types and Information (laserclt.htm).
- A Variety of Home-Built Lasers and Accessories (Chris Chagaris, cclasers.jpg).
- Typical Home-Built Helium-Neon Laser Assembly (hene1asm.gif).
- Typical Home-Built Argon Ion Laser Assembly (ar1asm.gif).
- Overall View of Carbon Dioxide Laser (Chris Chagaris, ccco2ls.jpg).
- Carbon Dioxide Laser in Operation (Chris Chagaris, ccco2on.jpg).
- Typical Home-Built Carbon Dioxide Laser Assembly (co21asm.gif).
- Overall View of Nitrogen Laser (Chris Chagaris, ccn2ls.jpg).
- Ben Franklin's Winhurst Laser Power Source (Chris Chagaris, ccwinzap.jpg).
- Typical Home-Built Nitrogen Laser Assembly (n21asm.gif).
- Typical Home-Built Helium-Mercury Laser Assembly (hehg1asm.gif).
- Overall View of Copper Bromide Laser (Chris Chagaris, cccbls1.jpg).
- Copper Bromide Laser with Parts Labeled (Chris Chagaris, cccbls2.jpg).
- Copper Bromide Laser HV Distributor (Chris Chagaris, ccpulse.jpg).
- Typical Home-Built Copper Chloride Laser Assembly (cucl1asm.gif).
- Diagram of CuBr Laser (Chris Chagaris, cccbls3.gif).
- Overall View of Dye Laser (Chris Chagaris, ccdyels.jpg).
- Closeup of Dye Laser Chamber (Chris Chagaris, ccdyecu.jpg).
- Typical Home-Built Dye Laser Assembly (dye1asm.gif).
Essential and Optional Icons :-).
Go to Sam's Laser FAQ Welcome Page.
Go to Sam's Laser FAQ Main Table of Contents.